Elenco dei limiti di temperatura dell'app
Materialee temperatura media ℃ Materialee temperatura media ℃
PVC-C -20℃~95℃ PVC-U -5℃~45℃
FRPP -20℃~120℃ PPH -20℃~ 110℃
PVDF 40℃~150℃

Caratteristiche strutturali del prodotto

1. leggero: il PVC-U pesa solo 1/10 della ghisa, il che lo rende facile da trasportare e installare, riducendo i costi.
2. Resistenza chimica superiore: il PVC-U ha un'eccellente resistenza agli acidi e agli alcali, ad eccezione degli acidi e degli alcali forti vicini al loro punto di saturazione.
3. Durevole: il PVC-U offre un'eccellente resistenza agli agenti atmosferici ed è resistente alla corrosione di batteri e funghi.
4. Non conduttivo: il PVC-U non è conduttivo e non è suscettibile alla corrosione mediante elettrolisi o corrente elettrica, eliminando la necessità di lavorazione secondaria. Non è infiammabile e non supporta la combustione, eliminando i problemi di sicurezza antincendio.
5. Bassa resistenza e portata elevata: la parete interna liscia riduce al minimo la perdita di flusso del fluido e lo sporco ha meno probabilità di aderire alla superficie liscia del tubo, rendendo la manutenzione semplice ed economica.
6. Installazione semplice e basso costo: tagliare e unire sono semplici. Il collare in PVC ha dimostrato di essere sicuro, affidabile, facile da usare ed economico.

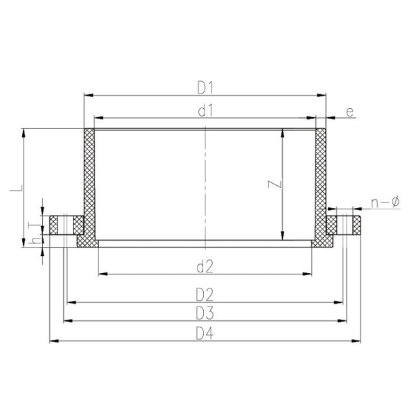
Flangia in PVC-U Vanstone

DN D1 D2 D3 D4 d1 d2 l t h Z n-Φ
15 27 59 70 95 20 18 22 16 1.5 16 4-Φ15X20,5
20 32 70 75 105 25 23 25 18 1.5 19 4-15X17,5
25 40 79 90 125 32 29 28 18 1.5 22 4-Φ15X20,5
32 50 89 100 140 40 36 31.5 20 1.5 26 4-Φ18X24,5
4 61 98 110 150 50 4 37 20 2 31 4-Φ18X24
50 75 120 125 165 63 58 44 25 2 38 4-Φ18X20,5
65 88 140 145 185 75 69 50 25 2 44 4-Φ18X20,5
80 105 150 160 200 90 84 57 26 2.5 51 8-Φ18X23
100 127 175 190.5 229 110 105 67 26 2.5 61 8-Φ18X26
125 161 210 250 140 130 84 28 12.5 77 8-Φ19
150 182 240 285 160 150 93 31 12.5 85 8-Φ23
200 249 295 339 225 215 127 36 16 119 8-Φ23X25
200 254 295.8 341 225 215 127 33.1 16 119 12-Φ22
250 308 350 395 280 267 154 40.5 16.5 144 12-Φ23
300 346 400 445 315 305 170 43 18 160 12-Φ23
350 395 460 505 355 340 176 43 16 164.5 16-Φ23
400 442 515 570 400 382 219 43 22 200 16-Φ27
450 494 565 625 450 430 220 40 27 210 20-Φ26
500 548 620 670 500 475 210 43 25 185 20-Φ27
Feedback sul messaggio
Chi siamo
Kaixin Pipeline Technologies Co., Ltd.
Fondata nel 1999, Kaixin Pipeline Technologies Co., Ltd. è un'impresa high-tech che integra ricerca e sviluppo, produzione, vendite e assistenza. L'azienda detiene numerose certificazioni prestigiose, tra cui National High-Tech Enterprise, "Little Giant" Specialized and Sophisticated SME, National Single Product Champion (Coltivazione), Provincial Technology-based SME, Ningbo Specialized and Sophisticated SME, Ningbo Single Product Champion (Coltivazione), Ningbo Polymer Pipe & Valve Technology R&D Center, District-Level Green Factory, Ningbo Four-Star Management Innovation Enterprise e Enterprise Data Management Capability Maturity Level 2.
Siamo specializzati nello sviluppo, produzione e fornitura di prodotti non metallici resistenti alla corrosione per applicazioni chimiche, tra cui valvole in plastica, tubi, raccordi e pompe resistenti alla corrosione. Il nostro portafoglio di prodotti comprende materiali come PVC-C, PVC-U, PVDF, PPH e FRPP, con una gamma completa di tipi e specifiche. In particolare, le nostre valvole a farfalla possono raggiungere il diametro DN1000, mentre tubi e raccordi si estendono fino al DN800, colmando le lacune del mercato e mantenendo il nostro vantaggio competitivo nel settore.
Guidata dal principio “guidata dalla tecnologia, al passo con i tempi”, Kaixin stanzia quasi 10 milioni di RMB all’anno in ricerca e sviluppo. Garantiamo una qualità del prodotto superiore attraverso una produzione automatizzata standardizzata e un approvvigionamento rigoroso di materie prime importate. In linea con la nostra strategia di sviluppo internazionale, monitoriamo continuamente le tendenze del mercato globale e sfruttiamo i canali digitali per offrire prodotti “Made in China” di alta qualità ai clienti di tutto il mondo.
Ningbo • Base di ricerca e sviluppo e produzione di Fenghua
Con un investimento totale di 200 milioni di RMB, Kaixin Ultra-Pure Pipe Technology (Ningbo) Co., Ltd. ha creato un nuovo laboratorio di materiali in collaborazione con università e istituti di ricerca, costruito una moderna base di produzione e installato 8 linee di produzione completamente automatizzate per plastiche modificate e 8 per materiali polimerici. La struttura è dedicata alla ricerca e sviluppo, alla produzione e all'applicazione di nuove plastiche modificate e materiali polimerici. Kaixin è inoltre impegnata ad attrarre i migliori talenti in tutte le discipline, guidando continuamente l'innovazione dei prodotti e lo sviluppo del marchio, con l'obiettivo di diventare un leader riconosciuto a livello mondiale nella ricerca e sviluppo e nella produzione di valvole, tubi e raccordi polimerici.
Certificato d'onore
  • honor
  • honor
  • honor
  • honor
  • honor
  • honor
  • honor
  • honor
  • honor
Novità