Valvola di rito a vita FRPP H41F-10S DN40-80 GB standard

Valvola di ritegno lunga verde con valvola di ritegno personalizzata DN40-DN80 6 Valvola di ritegno in plastica bidirezionale a 10 pollici FRPP
Luogo di origine: Cina
Marchio: KXPV
Numero di modello: H41F-10S
Applicazione: generale
Materiale: plastica
Temperatura del mezzo: temperatura media, temperatura normale
Pressione: pressione media
Alimentazione: manuale
Mezzi: acido
Dimensioni porta: DN40-DN80
Struttura: verifica
Nome del prodotto: valvola di rito dell'ascensore
Colore: verde
Imballaggio: scatola di cartone
Tempi di consegna: 7 giorni
MOQ: 1 pezzo

Classe di pressione: 1,0 MPa (10 bar)

Caratteristiche strutturali del prodotto

1. Gamma completa di specifiche
2. Prestazioni affidabili
3. Ampia gamma di applicazioni
4. Installazione facile e affidabile
5. Può essere installato in qualsiasi luogo

Elenco dei limiti di temperatura dell'app

Materialeee Temperatura media ℃ Materialeee Temperatura media ℃
PVC-C -20℃~95℃ PVC-U -5℃~45℃
FRPP -20℃~120℃ PPH -20℃~ 110℃
PVDF 40℃~150℃

Tabella dei materiali delle parti
No. Nome Materialeee
1 Cofano FRPP
2 O-ring EPDM
3 Pistoni PPTE
4 Corpo FRPP

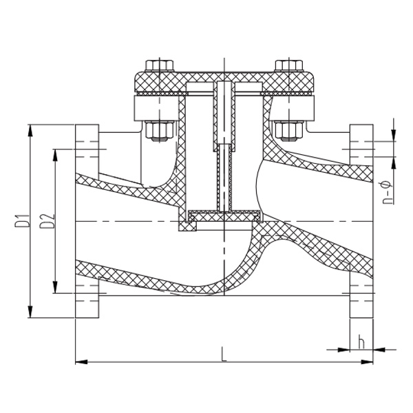
Disegno dettagliato del gruppo valvola di rito del tipo di vita

Elenco dimensioni

DN(mm) D d l b n-Φ
GB JIS ANSI GB JIS ANSI
40(11/2") 150 110 110 98.4 200 20 4-Φ18 4-Φ19 4-Φ16
50(2") 165 125 125 120.7 230 20 4-Φ18 4-Φ19 4-Φ18
65(21/2") 185 145 145 139.7 295 24 4-Φ18 4-Φ19 4-Φ18
80(3") 200 160 160 152.4 310 25 8-Φ18 8-Φ19 4-Φ18

Feedback sul messaggio
Chi siamo
Kaixin Pipeline Technologies Co., Ltd.
Fondata nel 1999, Kaixin Pipeline Technologies Co., Ltd. è un'impresa high-tech che integra ricerca e sviluppo, produzione, vendite e assistenza. L'azienda detiene numerose certificazioni prestigiose, tra cui National High-Tech Enterprise, "Little Giant" Specialized and Sophisticated SME, National Single Product Champion (Coltivazione), Provincial Technology-based SME, Ningbo Specialized and Sophisticated SME, Ningbo Single Product Champion (Coltivazione), Ningbo Polymer Pipe & Valve Technology R&D Center, District-Level Green Factory, Ningbo Four-Star Management Innovation Enterprise e Enterprise Data Management Capability Maturity Level 2.
Siamo specializzati nello sviluppo, produzione e fornitura di prodotti non metallici resistenti alla corrosione per applicazioni chimiche, tra cui valvole in plastica, tubi, raccordi e pompe resistenti alla corrosione. Il nostro portafoglio di prodotti comprende materiali come PVC-C, PVC-U, PVDF, PPH e FRPP, con una gamma completa di tipi e specifiche. In particolare, le nostre valvole a farfalla possono raggiungere il diametro DN1000, mentre tubi e raccordi si estendono fino al DN800, colmando le lacune del mercato e mantenendo il nostro vantaggio competitivo nel settore.
Guidata dal principio “guidata dalla tecnologia, al passo con i tempi”, Kaixin stanzia quasi 10 milioni di RMB all’anno in ricerca e sviluppo. Garantiamo una qualità del prodotto superiore attraverso una produzione automatizzata standardizzata e un approvvigionamento rigoroso di materie prime importate. In linea con la nostra strategia di sviluppo internazionale, monitoriamo continuamente le tendenze del mercato globale e sfruttiamo i canali digitali per offrire prodotti “Made in China” di alta qualità ai clienti di tutto il mondo.
Ningbo • Base di ricerca e sviluppo e produzione di Fenghua
Con un investimento totale di 200 milioni di RMB, Kaixin Ultra-Pure Pipe Technology (Ningbo) Co., Ltd. ha creato un nuovo laboratorio di materiali in collaborazione con università e istituti di ricerca, costruito una moderna base di produzione e installato 8 linee di produzione completamente automatizzate per plastiche modificate e 8 per materiali polimerici. La struttura è dedicata alla ricerca e sviluppo, alla produzione e all'applicazione di nuove plastiche modificate e materiali polimerici. Kaixin è inoltre impegnata ad attrarre i migliori talenti in tutte le discipline, guidando continuamente l'innovazione dei prodotti e lo sviluppo del marchio, con l'obiettivo di diventare un leader riconosciuto a livello mondiale nella ricerca e sviluppo e nella produzione di valvole, tubi e raccordi polimerici.
Certificato d'onore
  • honor
  • honor
  • honor
  • honor
  • honor
  • honor
  • honor
  • honor
  • honor
Novità